Conexiones
Contamos con una amplia variedad de productos como codos de 90° y 45°, coples, tubos rectos en “T”, reductores y tapas, diseñados para garantizar uniones seguras.
Nuestros productos cumplen con las normas ASME B16.9 y ASTM A234 WPB
Amplio stock
Contamos con un gran inventario de tuberías y conexiones en diferentes diámetros y materiales, listos para entrega inmediata y sin retrasos en tu proyecto.
Calidad api 5l
Nuestros productos cumplen con los estándares de calidad para conducción industrial, garantizando resistencia, durabilidad y un desempeño confiable en cada instalación.
10 años de experiencia
Ofrecemos asesoría especializada en la selección de tuberías y conexiones, respaldados por más de 10 años atendiendo proyectos industriales y comerciales.



Coples
En Acero al Carbón.
Extremos
- Roscados o socketweld.
Tamaños
- ½” hasta 6”
Cédula
- 40
- 80
librajes
- 3000
- 6000
- 9000


Codos de 90° radio largo
En Acero al Carbón.
Cédula
- STD
Información
- Cumple con ASME B16.9 y ASTM A234 WPB.
- Todas las medidas están expresadas en milímetros.
- Todos los pesos están expresados en kilogramos y son aproximados. * Esta combinación de tamaño y espesor no corresponde a ningún número de cédula de tubo.


Codos de 90° radio corto
En Acero al Carbón.
Cédula
- STD
Información
- Cumple con ASME B16.9 y ASTM A234 WPB.
- Todas las medidas están expresadas en milímetros.
- Todos los pesos están expresados en kilogramos y son aproximados.
- Cumple con B16.9.


Codos de 45° radio largo
En Acero al Carbón.
Cédula
- STD
Información
- Cumple con ASME B16.9 y ASTM A234 WPB.
- Todas las medidas están expresadas en milímetros.
- Todos los pesos están expresados en kilogramos y son aproximados.
- Cumple con B16.9. Accesorios especiales, párrafo 4.4.2


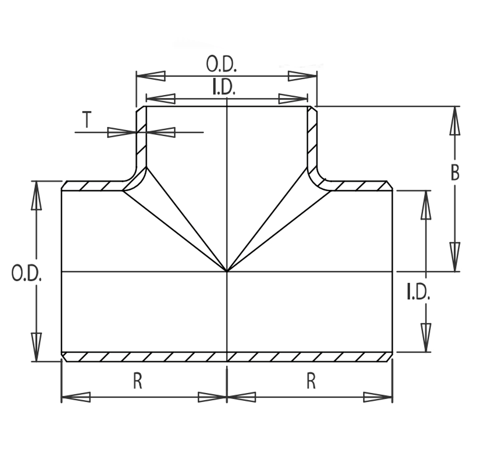
tubos en t rectos
En Acero al Carbón.
Cédula
- STD
Información
- Cumple con ASME B16.9 y ASTM A234 WPB.
- Todas las medidas están expresadas en milímetros.
- Todos los pesos están expresados en kilogramos y son aproximados.


Reductores concéntricos y excéntricos
En Acero al Carbón.
Cédula
- STD
Información
- Cumple con ASME B16.9 y ASTM A234 WPB.
- Todas las medidas están expresadas en milímetros.
- Todos los pesos están expresados en kilogramos y son aproximados.


tapas
En Acero al Carbón.
Cédula
- STD
Información
- Cumple con ASME B16.9 y ASTM A234 WPB.
- Todas las medidas están expresadas en milímetros.
- Todos los pesos están expresados en kilogramos y son aproximados.